
ASU üksus
Kirjeldus
Tehnilised parameetrid
Terasitööstuses kasutatakse ASU seadme pakutavat puhast hapnikku kõrgahju rauategemisel, mis võib parandada raua tootmist ja kvaliteeti ning vähendada energiatarbimist; Keemiatööstuses on selle toodetud hapnik ja lämmastik peamised toorained paljude keemiliste reaktsioonide jaoks, tagades sujuva toodangu; Elektroonilises tootmises kasutatakse toodete kvaliteedi tagamiseks sellistes protsessides nagu kiibitootmise protsessides suure puhtusega gaase; Meditsiinitööstuses on kõrge puhtusarja hapnik vajadus elu päästa ja hingamisteede ravi . säilitamiseks mängib ASU üksust hädavajalikku rolli tööstusliku tootmise ja ühiskondliku elu alal .

ASU protsess

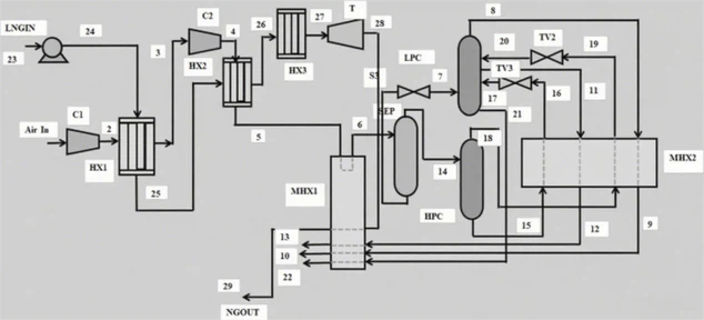
Õhu kokkusurumine
Kasutage mitmeastmelisi tsentrifugaalseid/koluga kompressoreid, et survestada ümbritsevat õhu 0.6-1.2 MPa, "akumuleerida võimsust" järgnevate protsesside jaoks, ja looge toiteallikas gaasi eraldamiseks .
Õhupuhastamine
Suruõhk voolab molekulaarse sõela adsorberisse, et täpsustada selliseid lisandeid nagu niiskus, süsinikdioksiid ja süsivesinikud, vältida lisandite külmumist ja blokeerimist madalatel temperatuuridel ning kaitsta süsteemi sujuvat toimimist .
Sügav külmutus
Puhastatud õhk siseneb kõigepealt peamisse soojusvaheti, vahetab soojust madala temperatuuriga refluksgaasiga ja jahutab peaaegu vedeldamise temperatuuri; Seejärel laieneb laiendaja, et õhk veelgi jahutada, et muuta see veeldatud olekuks .
Destilleerimise eraldamine
Vedeldatud õhk siseneb destilleerimistorni ja kasutab komponentide eraldamiseks mitme osalise aurustumise + kondenseerumise kaudu hapniku ja lämmastiku vahelist erinevust, tootes kõrge puhtusarja tööstuslikke gaase, näiteks hapnik ja lämmastik.
KKK
1. Kas ASU seadmete gaasi väljundi puhtus saab standardile vastata?
ASU võtab vastu täpse destilleerimise juhtimistehnoloogia ja on varustatud veebipõhise puhtuse jälgimissüsteemiga, et juhtida destilleerimistorni temperatuuri, rõhu ja tagasijooksu suhet reaalajas ., kui toorõhu puhtus vastab eeltöötlemisstandarditele, on hapnik puhtus 99. 5%-l stabiilne, ja nitroen on 99. ja nitroen PURY, ja nitroen on 99. ja NITROENNE PURME. Suure puhkeoleku nõudluse stsenaariumid, näiteks elektroonika ja arstiabi.
2. Kas seadmete energiatarbimine on kõrge? Kuidas kontrollida hilisemaid tegevuskulusid?
Advanced ASU kasutab täielikku madalrõhuprotsessi + ülitõhusa soojusvaheti, kombineeritult intelligentse muutuva sageduskompressoriga, mis vähendab energiatarbimist 15% - 20% võrreldes traditsiooniliste seadmetega . ja kaugtöö ja hooldussüsteemi kaudu saab tööparameetreid energiatarbimise vähendamiseks dünaamiliselt optimeerida; Samal ajal võib kulumisosade (näiteks molekulaarsete sõeludega) standardiseeritud disain vähendada varuosade vahetamise kulusid, muutes pikaajalise töö .
3. Meie tootmisliini nõudlus on muutlik, kas seadmed saavad paindlikult gaasi mahtu reguleerida?
The equipment supports flexible adjustment under multiple working conditions. Through the DCS control system, the gas production rate can be smoothly adjusted within the designed range (such as 30% - 110% load). With the storage tank buffer, it can not only meet the peak gas demand, but also save energy and standby at low load, which is suitable for fluctuating gas demand scenarios in industries such as chemical and teras .
Kuum tags: ASU üksus, Hiina ASU üksus, tarnijad, tehas
Järgmise
Õhu eraldamisettevõttedKüsi pakkumist
Ühendust võtma
Kirjutage oma sõnum
Ju gjithashtu mund të pëlqeni












